16 Mar,2026
Växel vs. skovel vs. kolv: Vilken industriell hydraulisk pump erbjuder den bästa effektiviteten?






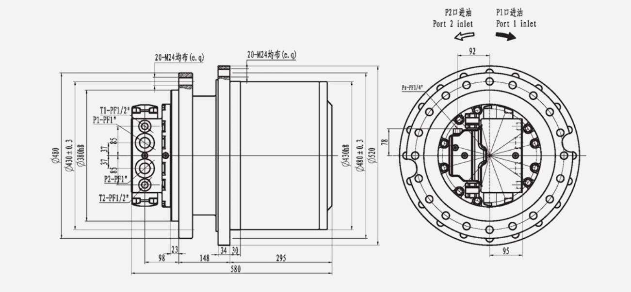
| Max. Utgångsmoment | Max. Total förskjutning | Max. Motorförskjutning | Utväxlingsförhållande | Max. Hastighet | Max. Förhållande | Max. Flöde | Max. Tryck | Massa | Tillämplig fordonsmassa |
| N.m | ml/varv | ml/varv | rpm | Hög/Låg | L/min | MPa | Kg | Ton | |
| 80000 | 31814.6 | 171.6 | 76,7·99 | 2500 | Max. 2 | 250 | 35 | 435 | 35-50 |
| 171.6/1113 |
Produkter som tillhandahålls av kända företag är djupt betrodda av användare.
Års branscherfarenhet
Fabriksområde
Skickliga medarbetare
Avancerad produktionslinje
INI Hydraulic Co., Ltd. Vi har specialiserat oss på konstruktion och tillverkning av hydraulvinschar, hydraulmotorer och planetväxellådor i mer än tjugo år. Vi är en av de professionella byggmaskiner tillbehör leverantörer i Asien. Att skräddarsy för att optimera kundernas geniala utrustningsdesign är vårt sätt att hålla sig vid liv robust på marknaden. Under 26 år har vi utvecklat ett brett utbud av produktlinjer baserat på vår egenutvecklade teknik. Det breda sortimentet av produkter, var och en nära korrelation, innehåller hydrauliska och elektriska vinschar, planetväxellådor, svängdrev, transmissionsdrift, hydraulmotorer, pumpar och hydraulsystem.
Tillförlitligheten hos våra produkter har bevisats starkt i olika tillämpningar, inklusive att inte begränsa industrimaskiner, entreprenadmaskiner, fartygs- och däcksmaskiner, offshoreutrustning, gruv- och metallurgiska maskiner.
Dessutom har vår produktkvalitet godkänts av flera världsomspännande välkända certifikatorgan. Certifieringarna som våra produkter har erhållit inkluderar EC-typprovningscertifikat, BV MODE, DNV GL-certifikat, EG-intyg om överensstämmelse, certifikat om typgodkännande för marina produkter och Lloyd's Register Quality Assurance. Hittills har vi, förutom Kina, vår hemmamarknad, i stor utsträckning exporterat våra produkter till USA, Tyskland, Nederländerna, Australien, Ryssland, Turkiet, Singapore, Japan, Sydkorea, Malaysia, Vietnam, Indien och Iran. Våra logistik- och eftermarknadstjänster täcker hela världen snabbt och tillförlitligt för våra kunders djupa intressen.
16 Mar,2026
09 Mar,2026
02 Mar,2026
23 Feb,2026
16 Feb,2026
09 Feb,2026
02 Feb,2026
TOP